Estratto del documento

SVANTAGGI:

– sensibilità a variazioni di densità, viscosità e temperatura del fluido;

– inadatti a misure dinamiche;

– parti in movimento (installazione).

• incertezza 1 - 5 %;

• campo di misura 10:1;

• tipici 5 - 100 mm;

• temperatura massima 100-150 °C;

• viscosità massima 200 cp;

Misuratori a turbina

Limiti

– alle basse portate:

• attrito sui supporti dell’albero ne inibiscono la rotazione.

– alle alte portate:

• distacco vena fluida dal profilo delle pale.

Caratteristiche tipiche

– incertezza: 0.1 - 1 %;

– campo di misura 10:1.

• Vantaggi

– bassa incertezza;

– utilizzabili sia a basse (-220°C) che ad alte (350 °C) temperature;

– utilizzabili sia per liquidi che per gas.

• Svantaggi

– La viscosità del fluido limita il campo di misura;

– Molto sensibile alle rotazioni del fluido lunghi tratti di tubazione rettilinea a monte (10 D) e a valle (5

D);

– Parti in movimento:

→Poco tollerati solidi in sospensione;

→Poco tollerate vibrazioni della condotta.

Flussimetri elettromagnetici

Filo conduttore in moto rispetto a un campo magnetico B

Induzione magnetica (Faraday) -> E = B L V

• E = 0.1 - 20 mV ---> Amplificatore

• Alimentazione bobine in c.c. o in c.a.

– in c.c. --> problemi di elettrolisi

– in c.a. --> limiti alla risposta dinamica se bassa frequenza

Vantaggi

– assenza di perdite di carico;

– assenza parti in movimento;

– molto poco sensibili alle proprietà fisiche del fluido (temp. press. viscosità);

– utilizzabile con fluidi carichi di sedimenti (es fluidi alimentari, acque anche sporche, sangue);

– adatto per piccoli e grandi diametri;

– poco sensibile al profilo di velocità;

– corti tratti di condotta rettilinea a monte e valle.

Limiti

– Solo liquidi conduttivi;

– Incrostazioni e depositi sul tubo possono alterare il funzionamento degli elettrodi

➔ meglio un montaggio verticale - minor deposito

Misuratori di portata a vortice

Questi misuratori sfruttano il fenomeno del distacco dei vortici a valle di un corpo solido

Misuratori a ultrasuoni

Strumenti di nuova generazione che sfruttano le proprietà dei fluidi di propagare onde sonore causate da

disturbi di pressione di piccola entità.

Esistono due metodi che sfruttano il principio:

- misuratori a tempo di transito: confrontano i tempi di transito del fluido in equicorrente e

controcorrente; tali misuratori lavorano su fluidi puliti

- misuratori ad effetto Doppler: utilizzati su fluidi con particelle in sospensione; sono in grado di

rilevare la variazione della frequenza del segnale emesso ad opera della velocità delle particelle

presenti nel fluido

Vantaggi

– completamente non intrusivi (possibile montaggio all’esterno di una condotta esistente senza

interrompere il flusso).

Svantaggi

– accuratezza limitata;

– costi elevati.

Misuratori di portata termici

Sfruttano il principio secondo il quale il raffreddamento di un filo riscaldato ed immerso in un fluido è

proporzionale alla velocità del fluido stesso.

La scelta di un misuratore di portata per una tipica applicazione va condotta tenendo conto dei seguenti

fattori:

– condizioni del fluido;

– prestazioni della misura;

– costo del misuratore;

– caratteristiche dell’installazione.

Metodi deprimogeni per il calcolo della portata di fluidi

La portata in massa, in volume e in peso:

La portata reale è differente dalla portata teorica a causa delle perdite di carico:

Per misurare il coefficiente di efflusso α, si utilizza il metodo volumetrico

Metodi interferometrici per la misura di spostamento

L'interferometria è un metodo di misura che sfrutta il fenomeno dell'interferenza fra onde (solitamente

onde luminose, sonore o radio); le precisioni sono molto elevate. L'interferometro di Michelson è la

tipologia più comune di interferometro.

In questo caso l’osseravtore vede due fasci luminosi.

Metodi interferometrici

Θ=0°

i due fasci non hanno sfasamento --> fascio con stessa fase, stessa frequenza ma ampiezza maggiore

Θ=180°

fasci sfasati di 180°, segnale nullo --> interferenza distruttiva

Θ=120°

segnale sinusoidale, fase e ampiezza che dipende dallo sfasamento che avevano i due segnali -->

interferenza costruttiva

Ad ogni ciclo chiaro-scuro (illuminazione\ombra) visto dall’osservatore corrisponde uno spostamento dello

specchio mobile pari a λ

c = λ x v velocità della luce

Se lo specchio si muove con velocità v l’osservatore vedrà un segnale ottico periodico di frequenza

Trasformatori differenziali LVDT

Principio di funzionamento di un trasformatore differenziale: è basato sul principio dell’induzione

elettromagnetica. Una variazione di mutua induttanza (e quindi di flusso concatenato) in un circuito di tipo

trasformatorico è determinata dallo spostamento di un cursore collegato all’oggetto di cui si vuole misurare

la posizione.

Il trasformatore differenziale è un sensore ti tipo assoluto ed è disponibile sia in versione rotativa (RVDT)

che lineare (Linear Variable Differential Transformer).

I sensori di spostamento LVDT sono sensori di spostamento lineare o angolare di tipo relativo, a contatto,

come i potenziometri. Il principio su cui si basano è la legge di Faraday.

Di solito, gli LVDT comprendono una serie di avvolgimenti di filo a spirale o bobine, sistemati in modo che

una barra metallica sia libera di entrare e uscire dalle spirali. Uno degli avvolgimenti di filo (il primario) è

alimentato da una frequenza. Mentre la barra si sposta rispetto agli avvolgimenti, si realizza un

trasformatore variabile che accumula energia negli avvolgimenti secondari in misura proporzionale allo

spostamento lineare della barra. Gli LVDT generano due o più segnali negli avvolgimenti secondari. Il

rapporto o la differenza di tali segnali sono usati per calcolare la posizione assoluta della barra.

Legge di Faraday

U : tensione indotta in uno dei due secondari immaginando circuito aperto

n : numero di avvolgimenti

F : flusso magnetico

M : induttanza mutua tra primario e secondario dipende dalla posizione del nucleo

I : corrente sul primario

Secondari collegati in serie in opposizione

Esiste una posizione in cui eo = 0 (posizione di 0 elettrico)

In questa posizione viene fissato lo 0 meccanico X0

Per ottenere un segnale in uscita in tensione proporzionale allo spostamento del nucleo ferromagnetico è

necessario demodulare il segnale di uscita del trasformatore differenziale

Il segnale deve essere demodulato in maniera sensibile alla fase

Demodulazione e filtraggio

Valori tipici Trasformatori differenziali LVDT:

• Portata:

(sonda a molla): ± 2,0 ÷ 8,5 mm

(sonda libera): ± 1,0 ÷ 250 mm

• Sensibilità:

• Linearità (f.s.):

< ± 0,20%

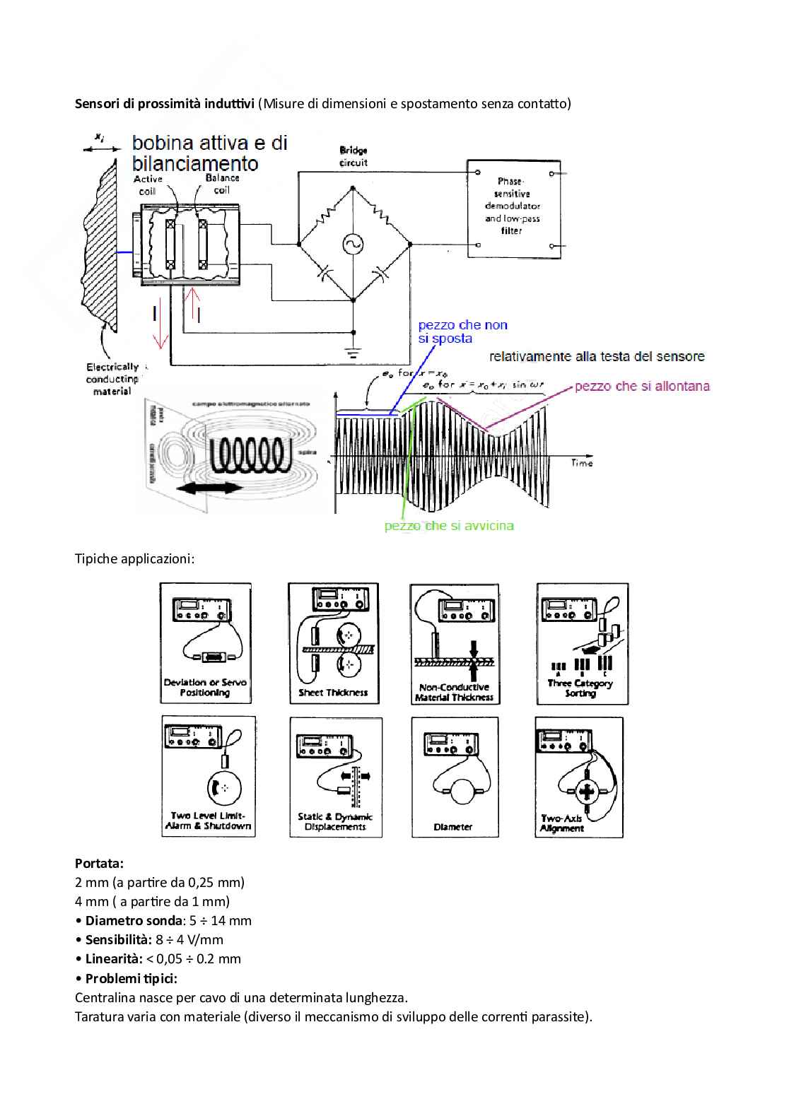
Sensori di prossimità induttivi (Misure di dimensioni e spostamento senza contatto)

Tipiche applicazioni:

Portata:

2 mm (a partire da 0,25 mm)

4 mm ( a partire da 1 mm)

• Diametro sonda: 5 ÷ 14 mm

• Sensibilità: 8 ÷ 4 V/mm

• Linearità: < 0,05 ÷ 0.2 mm

• Problemi tipici:

Centralina nasce per cavo di una determinata lunghezza.

Taratura varia con materiale (diverso il meccanismo di sviluppo delle correnti parassite).

Prinicipo di funzionamento, caratteristiche costruttive e metrologiche dei sensori di prossimità capacitivi

Misure di dimensioni e spostamento senza contatto: sensori di prossimità capacitivi

Da un punto di vista del principio di funzionamento un sensore di prossimità sfrutta le proprietà delle onde

elettromagnetiche emettendo o ricevendo segnali nel suo raggio di azione, noto come “portata nominale”

(o campo sensibile). In base al ritorno delle onde elettromagnetiche, il sensore è in grado di rilevare o meno

gli oggetti che transitano davanti al campo sensibile, trasformando l’onda in un segnale elettrico che apre o

chiude un circuito. I diversi sensori di prossimità, altrimenti detti di presenza, si valutano per due

caratteristiche principali: la velocità di commutazione e la distanza nominale.

I sensori di prossimità capacitivi basano il loro principio di misura su variazioni di capacità di un

condensatore

Variazione di capacità di un condensatore variando A, x o il dielettrico:

Si può variare C variando Ɛr (dielettrico): legame lineare

Si può variare C variando A (sup. delle facce): legame lineare

Si può variare C variando d (distanza fra le facce): legame non lineare

Come misuriamo questa variazione di capacità? Circuiti di misura

Tensione in uscita:

Esempio:

Distanza al momento iniziale tra le 2 armature: Per avere misure accurate devo lavorare ad alte

frequenze (che dipendono dalle caratteristiche del

sistema)

Per ovviare a questo problema basterà alimentare

il circuito con una tensione alternata

Applicazione:

VALORI TIPICI:

• Portata: 0,05 ÷ 10 mm

• Sensibilità: 1 ÷ 200 V/mm

• Risoluzione: 0,02 % f.s.

• Linearità: > ± 0,2 % f.s.

Rilevatori di prossimità capacitivi: Applicazioni

Descrivere i sensori di prossimità ottici a modulazione d'intensità

Composti da membrane flessibili con superficie inferiore riflettente. Quando il cono di luce introdotto

attraverso fibre ottiche colpisce la superficie, viene riflessa e recuperata da una seconda fibra ottica. Quando

viene esercitata una forza sulla membrana, la distanza tra la superficie riflettente e le fibre ottiche si riduce e di

conseguenza la luce rilevata diminuisce in funzione della forza.

Saprò quanto sono lontano dal pezzo con la testa del sensore

Il posizionamento delle fibre è variabile:

Curve di gradazione:

Sensore ad effetto ombra

Sensore ad effetto ombra con telecamera lineare

invece del prisma un array fotosensibile

Prinicipo di funzionamento, caratteristiche costruttive e metrologiche dei sensori di prossimità ottici a

triangolazione

Il principio della triangolazione è una procedura di misurazione geometrica che sfrutta la relazione

triangolare. Questo metodo proietta un punto luminoso sull’oggetto da misurare. L’oggetto riflette la luce e

colpisce un elemento di ricezione CMOS sensibile alla luce all’interno del sensore con un determinato

angolo. A seconda della distanza dell’oggetto cambia la posizione del punto luce su

Anteprima
Vedrai una selezione di 12 pagine su 51
Domande aperte esame Sensori Pag. 1 Domande aperte esame Sensori Pag. 2
Anteprima di 12 pagg. su 51.
Scarica il documento per vederlo tutto.
Domande aperte esame Sensori Pag. 6
Anteprima di 12 pagg. su 51.
Scarica il documento per vederlo tutto.
Domande aperte esame Sensori Pag. 11
Anteprima di 12 pagg. su 51.
Scarica il documento per vederlo tutto.
Domande aperte esame Sensori Pag. 16
Anteprima di 12 pagg. su 51.
Scarica il documento per vederlo tutto.
Domande aperte esame Sensori Pag. 21
Anteprima di 12 pagg. su 51.
Scarica il documento per vederlo tutto.
Domande aperte esame Sensori Pag. 26
Anteprima di 12 pagg. su 51.
Scarica il documento per vederlo tutto.
Domande aperte esame Sensori Pag. 31
Anteprima di 12 pagg. su 51.
Scarica il documento per vederlo tutto.
Domande aperte esame Sensori Pag. 36
Anteprima di 12 pagg. su 51.
Scarica il documento per vederlo tutto.
Domande aperte esame Sensori Pag. 41
Anteprima di 12 pagg. su 51.
Scarica il documento per vederlo tutto.
Domande aperte esame Sensori Pag. 46
Anteprima di 12 pagg. su 51.
Scarica il documento per vederlo tutto.
Domande aperte esame Sensori Pag. 51
1 su 51
D/illustrazione/soddisfatti o rimborsati
Acquista con carta o PayPal
Scarica i documenti tutte le volte che vuoi
Dettagli
SSD
Ingegneria industriale e dell'informazione ING-IND/12 Misure meccaniche e termiche

I contenuti di questa pagina costituiscono rielaborazioni personali del Publisher giorgia.bocchialini di informazioni apprese con la frequenza delle lezioni di Sensori e strumenti per misure meccaniche e termiche e studio autonomo di eventuali libri di riferimento in preparazione dell'esame finale o della tesi. Non devono intendersi come materiale ufficiale dell'università Università telematica Guglielmo Marconi di Roma o del prof Garinei Alberto.
Appunti correlati Invia appunti e guadagna

Domande e risposte

Hai bisogno di aiuto?
Chiedi alla community