Estratto del documento

20.10.25

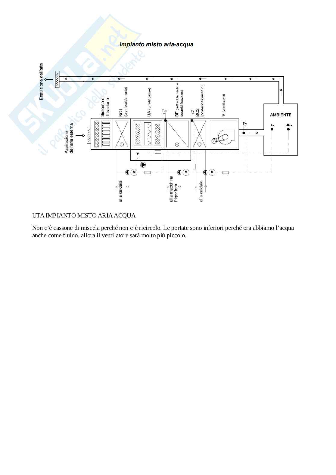
Psicometria

Gli impianti di climatizzazione posso usare come fluido termovettore o solo acqua o solo acqua o entrambi

(impianti misti).

Parte aeraulica dell’impianto misto, racchiuso nel concetto della psicometria.

Come elementi terminali abbiamo un mobiletto condizionatore, gestione del calore sensibile mentre il calore

latente viene gestito da impianti a soffitto o a parete. Ovviamente tutti i fattori che riguardano umidità ecc

sono sotto il controllo dell’impianto.

Legge della Varianza

L’aria umida per noi è un miscuglio di aria secca (78% azoto e 2,1% Ossigeno) + (antropotossine,

responsabile aria viziata) e di vapore acqueo. Secondo la legge della varianza se ho un sistema

termodinamico di n componenti e avrò delle fasi (solida, liquida, gassosa) avrò

V= n – f +2

Pressione, temperatura e umidità specifica (ci dice quanti grammi di vapore acqueo ci sono su una massa di

aria)

Per definire uno stato termodinamico ho bisogno di 3 grandezze fisiche e relazione tra due in un sistema

trivariante e dovrei rappresentarlo nello spazio. Allora porto la varianza a 1 e portarlo nel piano (considero

che tutti i cambiamenti dell’aria avvengano a pressione costante)

Tubi e pompe di circolazione nell’ impianto idraulico

Impianto aeraulico

Canali e come organo meccanico ventilatori che forniscono energia all’aria per fluire nelle

canalizzazioni. Allora ventilatore e pompa di circolazione svolgono effettivamente lo stesso compito.

La prevalenza dei ventilatori varia da 100 a 300Pa, la pressione atmosferica è circa 100kpa, la variazione

sarà quindi talmente piccola che posso considerare valore costante la pressione e allora nella varianza avrò

dipendenza solo da temperatura e volume

Entalpia , la variazione dipende da stato iniziato e finale e non dal lavoro compiuto.

 

Energia interna + ( pressione x volume) dH = dU+ pdv + vdp se il primo principio dice dU = dQ – pdv

 

allora dH= dQ -pdv + vdp + pdv dH= dQ + vdp

Qui in psicometria se p= cost dH= dQ

Applicando il diagramma psicometrico posso rapidamente osservare l’entalpia e ricavare le quantità di calore

scambiate.

Il lavoro non è una grandezza di stato perché è un integrale di linea

Esigenza di andare a definire i carichi termici interni che possono essere sottoforma di calore sensibile e di

calore latente 

Il carico che noi produciamo in funzione del compito a cui stiamo assolvendo tutte attività che

contribuiscono ad apporta vapore acqueo, aria satura nell’aria. Sia in estate che in inverno devo immettere

aria più secca affinchè si misceli e si possa ottenere il valore di vapore acque

Anteprima
Vedrai una selezione di 3 pagine su 8
Psicometria e impianti Pag. 1 Psicometria e impianti Pag. 2
Anteprima di 3 pagg. su 8.
Scarica il documento per vederlo tutto.
Psicometria e impianti Pag. 6
1 su 8
D/illustrazione/soddisfatti o rimborsati
Acquista con carta o PayPal
Scarica i documenti tutte le volte che vuoi
Dettagli
SSD
Ingegneria industriale e dell'informazione ING-IND/17 Impianti industriali meccanici

I contenuti di questa pagina costituiscono rielaborazioni personali del Publisher fely6385 di informazioni apprese con la frequenza delle lezioni di Impianti termotecnici e studio autonomo di eventuali libri di riferimento in preparazione dell'esame finale o della tesi. Non devono intendersi come materiale ufficiale dell'università Università degli Studi di Roma La Sapienza o del prof Grignaffini Stefano.
Appunti correlati Invia appunti e guadagna

Domande e risposte

Hai bisogno di aiuto?
Chiedi alla community