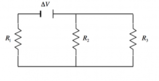
Concetti Chiave
- Le resistenze R3 e R4 sono in parallelo con un valore equivalente di 20 Ω.
- La somma delle resistenze R2 e R3,4 in serie è di 30 Ω.
- Le resistenze R1 e R2,3,4 sono in parallelo per calcolare la resistenza equivalente finale.
- La resistenza equivalente totale del circuito risulta essere 12 Ω.
- Il calcolo coinvolge somme e frazioni per determinare la resistenza equivalente in serie e parallelo.
Qual è la resistenza equivalente del circuito in figura?
Le resistenze hanno i seguenti valori:
La differenza di potenziale vale:
Risoluzione
Per determinare la resistenza equivalente del circuito, procediamo per gradi cercando di semplificare il circuito.
Per prima cosa, sommiamo le resistenze 3 e 4 che sono in parallelo:

Ora sommiamo le resistenze
Per trovare la resistenza equivalente del circuito basta determinare la resistenza equivalente fra le due rimaste, che sono in parallelo:
