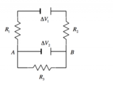
Concetti Chiave
- Il resistore da 40 Ω è in parallelo con un resistore da 10 Ω, formando una resistenza equivalente di 8 Ω.
- La resistenza totale del circuito è calcolata in serie, risultando in 12 Ω, considerando anche un resistore da 4 Ω.
- La corrente totale nel circuito è di 1,5 A, calcolata dividendo la tensione totale di 18 V per la resistenza equivalente di 12 Ω.
- La differenza di potenziale attraverso i resistori in parallelo è di 12 V, condivisa tra i resistori da 40 Ω e 10 Ω.
- La potenza dissipata dal resistore da 40 Ω è 3,6 W, determinata utilizzando la formula P = i² * R con una corrente di 0,3 A.
Quale potenza dissipa il resistore da

Sono dati i seguenti valori delle resistenze e della tensione:
Risoluzione
Per determinare la potenza dissipata dal resistore daCominciamo quindi semplificando il circuito e sommando le resistenza

Calcoliamo ora la resistenza equivalente del circuito sommando le due resistenze rimaste, che sono in serie:
Possiamo ora determinare l’intensità della corrente che attraversa il circuito, e quindi anche le resistenze
Possiamo calcolare la differenza di potenziale ai capi della resistenza
Applicando la prima legge di Ohm, possiamo determinare la corrente che attraversa
Per calcolare la potenza dissipata da questo resistore, applichiamo la formula