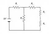
Concetti Chiave
- Il circuito presenta una batteria con una differenza di potenziale di 60V e quattro resistenze in parallelo.
- Le resistenze sono R1=50Ω, R2=70Ω, R3=75Ω e R4=105Ω, tutte con la stessa differenza di potenziale.
- Utilizzando la legge di Ohm, si calcola l'intensità di corrente per ogni resistenza.
- La corrente attraverso R1 è i1 = 1,2 A; attraverso R2 è i2 = 0,86 A.
- La corrente attraverso R3 è i3 = 0,8 A; attraverso R4 è i4 = 0,57 A.
In questo appunto risolveremo un circuito, ovvero troveremo alcune proprietà di esso che sono richieste dall'esercizio. In particolare, ci viene richiesto di trovare le varie intensità di corrente. Come si può vedere dal disegno, tutte le resistenze sono in parallelo, quindi l'esercizio non sarà particolarmente complesso, dal momento che non abbiamo bisogno di calcolare la cosiddetta resistenza equivalente. Vediamo il testo dell'esercizio.
Ricorda! Due resistenze in serie hanno la stessa intensità di corrente che la attraversa. Due resistenze in parallelo, invece, hanno la stessa differenza di potenziale!
Testo dell'esercizio
Nel circuito in figura si ha:Determina l'intensità delle correnti che attraversano le singole resistenze.

Svolgimento dell'esercizio
Dato che le resistenze presenti nel circuito sono poste in parallelo, esse hanno tutte la stessa differenza di potenziale.Applicando la prima legge di Ohm, quindi, possiamo subito determinare l'intensità delle correnti che attraversano ogni resistenza: